找回密码
 立即注册

QQ登录

只需一步,快速开始

工控课堂 首页 工控文库 PLC学习 查看内容

西门子PLC 8种入门实例接线与控制

2023-5-25 20:12| 发布者: 198366809| 查看: 830| 评论: 0

摘要: 此次为大家带来的是关于一些PLC编程控制入门常用到的实例,以此为借鉴,让学PLC的进度条缩短,加大掌握程度。里面包含的知识点是较为齐全的,如:I/O分配表、PLC接线图、梯形图程序等。一、电动机顺序启动、顺序停止 ...

此次为大家带来的是关于一些PLC编程控制入门常用到的实例,以此为借鉴,让学PLC的进度条缩短,加大掌握程度。里面包含的知识点是较为齐全的,如:I/O分配表、PLC接线图、梯形图程序等。

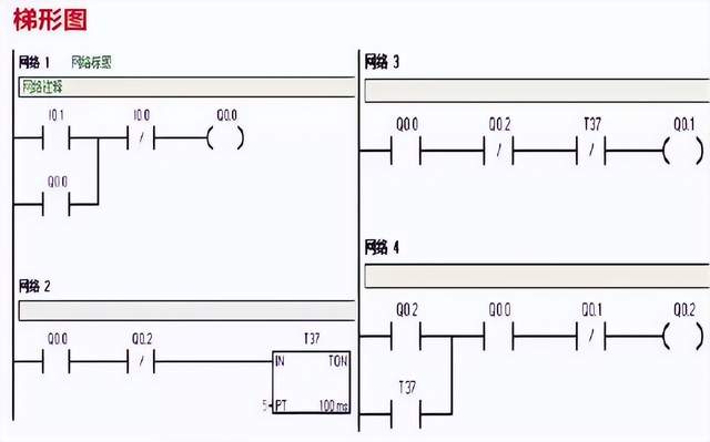
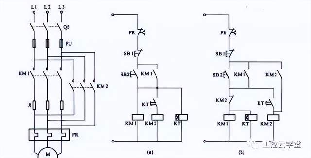
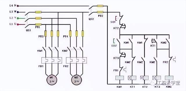
一、电动机顺序启动、顺序停止控制(I/O分配表、PLC接线图、梯形图程序)

二、 电动机的顺序启动、同时停止(I/O分配表、PLC接线图、梯形图程序)

三、电动机的顺序启动、逆序停止(I/O分配表、PLC接线图、梯形图程序)

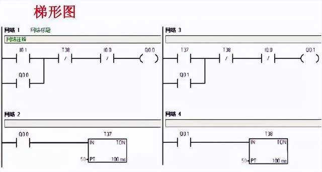
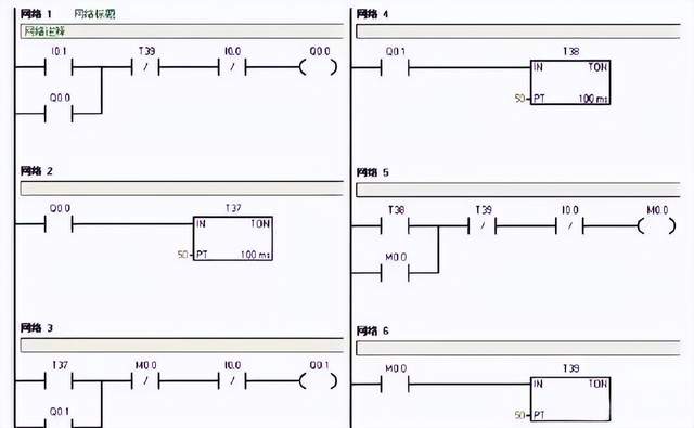
四、电动机延时启动、停止控制(I/O分配表、PLC接线图、梯形图程序)

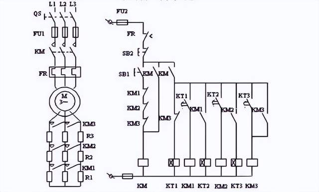
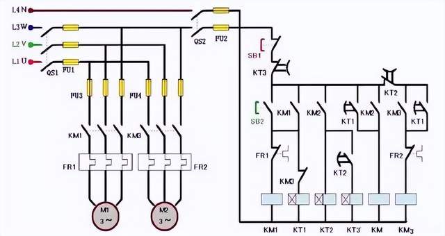
五、笼型感应电动机定子绕组从串电阻降压启动控制系统(I/O分配表、PLC接线图、梯形图程序)

六、三相绕线感应电动机转子绕组串电阻降压启动控制系统(I/O分配表、PLC接线图、梯形图程序)

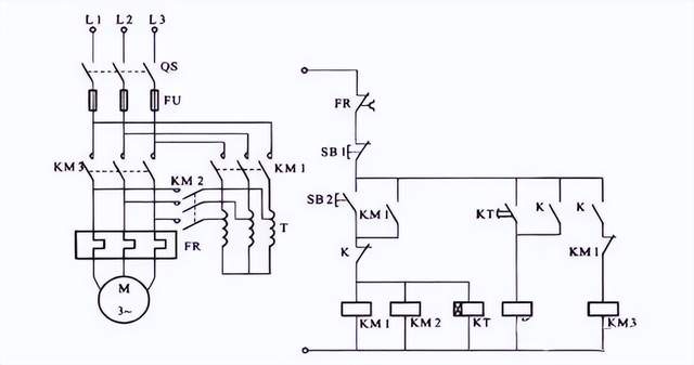
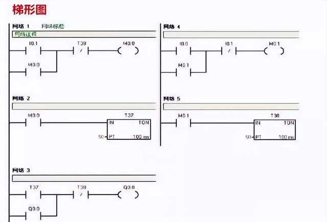
七、Y-降压启动控制系统(I/O分配表、PLC接线图、梯形图程序)

Y-降压启动控制(1)

Y-降压启动控制(2)

八、自耦变压器降压启动控制系统(I/O分配表、PLC接线图、梯形图程序)

关注公众号,加入500人微信群,下载100G免费资料!

最新评论

热门文章
关闭

站长推荐上一条 /1 下一条

QQ|手机版|免责声明|本站介绍|工控课堂 ( 沪ICP备20008691号-1 )

GMT+8, 2025-12-23 00:40 , Processed in 0.726821 second(s), 23 queries .

Powered by Discuz! X3.5

© 2001-2025 Discuz! Team.

返回顶部