找回密码
 立即注册

QQ登录

只需一步,快速开始

工控课堂 首页 工控文库PLC学习

PLC学习

交通红绿灯PLC编程实例
交通红绿灯plc编程实例_交通红绿灯控制。控制要求:1、确定设计任务书; 本设计主要实现对十字路口的东西向和南北向的红绿灯的有序控制。2、确定外围I/O设备。3、选定PLC型号。I/O地址表编制PLC的I/O地址表,如表10- ...
2022-7-3 20:22
PLC实现十字路口红绿灯控制
使用plc实现十字路口红绿灯控制,是PLC控制中非常经典的控制案例。如下所示为路口红绿灯示意图:十字路口红绿灯示意图控制功能信号灯受一个启动开关控制,当启动开关接通时,信号灯系统开始工作,且先南北红灯亮,东 ...
2022-7-3 20:22
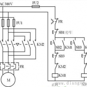
PLC电机正反转电路原理图解
PLC电机正反转电路原理图解
  在图1是三相异步电动机正反转控制的主电路和继电器控制电路图,图2与3是功能与它相同的plc控制系统的外部接线图和梯形图,其中,KM1和KM2分别是控制正转运行和反转运行的交流接触器。  在梯形图中,用两个起保 ...
2022-7-3 20:21
PLC柜和变频器柜的干扰,你遇到吗?
说起干扰,首先想到的就是电源干扰、空间辐射干扰、接地干扰等。不过,本次调试中,却遇到以前从未遇到、甚至不知道的干扰,借此跟大家分享一下。先简介一下项目,一面plc柜(正面PLC控制部分,后面是6台3.7KW变频器 ...
2022-7-3 20:20
三菱FX2N-32MR自锁控制程序原理
有关plc自锁控制的原理图,型号为FX2N-32MR,分享给大家,做个参考。plc自锁控制原理图如下图:一例最简单的自锁控制电路图一例最简单的自锁控制电路图 1、最简单的自锁控制:按下启动按钮时,交流接触器吸合并自锁 ...
2022-7-1 23:10
WinCCV7.4通过TCP/IP连接PLC
前提条件:通过以太网实现PLC系统与WinCC通讯的前提条件是PLC系统配备以太网模块或者使用带有PN接口的PLC,以太网模块列表如下表所示:PLC系列以太网通讯模块S7-300CP343-1/CP343-1 Lean/CP343-1 Advanced-ITS7-400C ...
2022-6-26 16:52
S7-1500存储卡功能
存储卡功能S7-1500使用SIMATIC存储卡作为程序存储器。SIMATIC存储卡主要有以下功能:作为CPU的装载存储区,离开存储卡CPU就无法运行。可以用于更新S7-1500CPU及集中式IO模块的固件版本。读取服务数据。清除存储卡中 ...
2022-6-26 16:49
什么是GSD文件/如何安装
什么是GSD文件/如何安装当使用Profibus DP,或Profinet IO总线通信时,有时需要组态第三方设备或I device设备,此时需要安装这些设备的GSD文件。、在STEP7 V5.X中安装GSD打开Step7软件,点击组态的S7CPU站点,双击打 ...
2022-6-26 16:43
西门子300PLC所有模拟量模块接线
1、确定基准电位点很重要近期有很多人咨询关于模拟量模块的问题,反映在现场的S7-300模拟量模块读数不变化,怎么弄都读数是32767。尽管模拟量模块大家都很熟悉,但是类似的问题还经常有用户反应。为此小编特意咨询了 ...
2022-6-26 16:13
PLC加密技术和解密方法
PLC加密技术,其实就是开发者的一种思路,只要明白了作者的加密思路,就能对它很快的解密。其实,在自然界中不管是PLC,还是电梯主板只要有加密的存在就会有破解它的秘籍,这二者永远都是矛和盾的结合体。先介绍两种 ...
2022-6-26 16:11
在编PLC程序时,这个低级错误99%的电气人都犯过!
在编制PLC程序时,不管是新手还是老手,都会犯下面的这种低级错误。因为这种错误是非语法上的,所以用编程软件也不能检查出错误之处。此错误一旦发生,自己有时还很难发现,直至上机调试运行时,所控设备不能运行或 ...
2022-6-26 16:09
如何判断PLC使用接近开关是PNP还是NPN?
如果输入的com接负极,就选npn的,如果plc输入的com端接电源的正极,就选pnp的。pnp与npn型其实就是利用的饱和和截止,输出两种状态,属于开关型传感器。但输出信号是截然相反的,即高电平和低电平。pnp输出是低电平 ...
2022-6-26 16:04
三菱、西门子TCP/RS485通讯等问题解答
三菱PLC常见问题问:三菱R系列PLC怎么修改时区?答:导航窗口——[参数]——[R00CPU]——[CPU参数]——“运行关联设置”——“时钟关联设置”——“时区” 问:如何用GX编程软件读出A系列PLC的故障代码?答: ...
2022-6-26 16:03
想学PLC编程?先弄清5种PLC专用语言!
PLC目前有5种标准的编程语言,包括图形化编程语言和文本化编程语言。图形化编程语言包括:梯形图(LD-Ladder Diagram);功能块图(FBD - Function Block Diagram);顺序功能图(SFC - Sequential Function Char ...
2022-6-26 13:17
PLC工程师,如何根据手册和图纸,实现输出接线
plc 的输入,所谓输入,就是人命令PLC去做事情,而这些命令是通过开关,按钮,接近开关等实现的。而输出,就是PLC去驱动机器设备,是靠继电器,晶闸管,晶体管去实现的。而这正是PLC输出的三种类型。今天,就为大家 ...
2022-6-26 13:12
热门文章
关闭

站长推荐上一条 /1 下一条

QQ|手机版|免责声明|本站介绍|工控课堂 ( 沪ICP备20008691号-1 )

GMT+8, 2025-12-23 19:12 , Processed in 0.050830 second(s), 13 queries .

Powered by Discuz! X3.5

© 2001-2025 Discuz! Team.

返回顶部