找回密码
 立即注册

QQ登录

只需一步,快速开始

工控课堂 首页 工控文库变频器学习

变频器学习

普通电机为啥不能当变频电机使用?
变频电机和普通电机的区别,主要表现在以下两个方面:第一,普通电机只能在工频附近长时间工作,而变频电机则可以长时间在严重高于,或者是低于工频的条件下进行工作;举个例子,我们国家的工频是50Hz,普通电机如果 ...
2024-3-17 22:05
加大新能源领域开发力度!这家变频器厂商年利润增长29.63%
近期,新风光公布2023年度业绩快报公告,报告期内,公司实现营业收入17.01亿元,同比增长30.50%;实现归属于母公司所有者的净利润1.67亿元,同比增长29.63%;实现归属于母公司所有者的扣除非经常性损益的净利润1.59 ...
2024-3-17 22:02
西门子 Startdrive V18 伺服调试教程下载
【导读】本文主要介绍了如何使用TIA Portal Startdrive工具软件调试SINAMICS S200 PN伺服驱动系统。资料概述教程包括将驱动器添加到项目中,执行引导式快速启动,通过控制面板进行驱动的运行测试、驱动系统的一键优 ...
2024-3-17 20:32
西门子S7300PLC与变频器通讯实例
今天主要跟大伙讲解的主要内容是西门子MM440变频器如何通过Profibus -DP与PLC通讯的实现,便于大伙对通讯这一块掌握得更全。01需要条件软件Step7 V5.2SP1PLC 中具有Profibus -DP 通讯口:S7-315 2DPProfibus  ...
2024-3-9 14:44
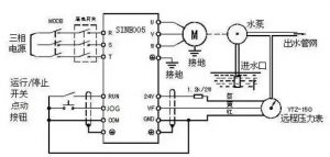
变频器起停要几个开关,如何接线?
变频器起停要几个开关,如何接线?
变频器的控制,不外是启动,停止,正转,反转,调速这几样基本的逻辑,这些逻辑基本上要求是电平状态有效,而不是上升边缘有效,所以使用按钮开关控制变频器的时候,一般需要使用自保形式的按钮开关来完成,如果不是 ...
2024-1-18 21:47
变频器售后工程师基本技法,是电工都能学会!
变频器厂家在变频器日常维护过程中,经常遇到各种各样的问题,如外围线路问题,参数设定不良或机械故障。如果是变频器出现故障,如何去判断是哪一部分问题,在这里略作介绍。一、静态测试1、测试整流电路找到变频器内部 ...
2024-1-14 19:44
电机上为何要安装编码器?编码器是如何工作的?
PLC FA SHAO YOU什么是编码器?电机运行过程中,实时监测电流、转速、转轴的圆周方向相对位置等参数,确定电机本体及被拖动设备状态,进一步地实时控制电机和设备的运行状况,从而实现伺服、调速等许多特定功能。这 ...
2023-11-11 20:27
学会这些变频器参数设定方法,轻松搞定90%变频调试了!
学会这些变频器参数设定方法,轻松搞定90%变频调试了!
变频器的设定参数众多,每个参数均有一定的选择范围,使用中常常遇到因个别参数设置不当,导致变频器不能正常工作的现象。因此,变频器调试是从正确设置变频器参数开始的。在这篇文章中,我们将总结基本变频器参数设 ...
2023-11-11 20:21
变频器与电机的电缆允许多长?
由于变频器输出的电压波形是类似于正弦波,而绝非真正的正弦波。其波形中含有大量的谐波成分,特别是高次谐波会使变频器输出电流增大,造成电机绕组发热,产生振动和噪声,加速绝缘老化,甚至还有可能损坏电机;同时 ...
2023-9-18 22:07
充电电阻和储能电容引发的变频器故障分析
中小功率通用变频器一般为电压型变频器,采用交—直—交工作方式。当变频器刚上电时,由于直流侧的滤波电容容量非常大,在刚充电的瞬间对电流相当于短路,电流会很大。如果在整流桥与电解电容之间不加充电电阻,则相 ...
2023-9-18 22:05
伺服电机控制接线图
接线包括主电路接线和控制电路接线。主电路包括R、S、T三相线和U、V、W与电机的接线,PLC连接驱动器的CN1(有些驱动器包括CN1A和CN1B),编码器与CN2连接。详细内容,你可以百度实物接线图片,一目了然!难点是PLC输 ...
2023-9-18 21:54
西门子MM440变频器与西门子S7315 PLC的DP通讯设计
1、需要条件软件Step7 V5.2SP1PLC中具有Profibus -DP通讯口:S7-315 2DPProfibus 通讯电缆(6XV1830-0AH10)Profibus 总线联结器(6ES7972-0BB10-0XA0, 带PG 接口;6ES7972-0BA10-0XA0 不带PG 接口)MM440变频 ...
2023-9-13 21:34
变频器接线和参数设置
变频器接线和参数设置
工业上用的变频器,分为单相和三相两种,这个是从主回路供电的电压来区分的,三相就是主回路要接入RST三相380伏交流电,输出接UVW三相线给电机;而单相是主回路接入单相220伏LN交流电,输出同样接UVW三相线给电机, ...
2023-9-13 21:31
三菱QD77MS16控制伺服电机的方法
一、三菱QD77MS16模块与伺服驱动器参数设置1、硬件配置与参数①硬件配置名称型号数量PLCQ06UDEH1个Q系列定位模块QD77MS161个伺服放大器MR-J4-40B1个伺服放大器MR-J4-20B1个伺服电机HG-KR43J1个伺服电机HG-KR23J1个QD ...
2023-9-13 21:28
电机对地绝缘为零,为什么还可以正常启动?
电机的电压380V三角型接法,每次停机后、启动前按规程用500V兆欧表例行摇测定子绕组对地绝缘水平时,其阻值均为0,但却能正常启动,运行时亦无任何异常!电机本身无任何损坏,环境温度与湿度都在正常允许范围内!此 ...
2023-9-13 20:41
热门文章
关闭

站长推荐上一条 /1 下一条

QQ|手机版|免责声明|本站介绍|工控课堂 ( 沪ICP备20008691号-1 )

GMT+8, 2025-12-22 23:59 , Processed in 0.048286 second(s), 14 queries .

Powered by Discuz! X3.5

© 2001-2025 Discuz! Team.

返回顶部