找回密码
 立即注册

QQ登录

只需一步,快速开始

工控课堂 首页 工控文库 电工电气 查看内容

星三角降压启动电路专业知识

2021-11-6 14:36| 发布者: gk-auto| 查看: 3788| 评论: 0

摘要: 在我的一个同行朋友应聘面试电工的时候,面试的公司给他出了一道题。这个公司是朋友盼望已久非常想进去的,待遇各方面条件都非常不错,工资薪金也高,所以他也非常重视这次面试,想象了无数个面试的场景,都没想到, ...

在我的一个同行朋友应聘面试电工的时候,面试的公司给他出了一道题。这个公司是朋友盼望已久非常想进去的,待遇各方面条件都非常不错,工资薪金也高,所以他也非常重视这次面试,想象了无数个面试的场景,都没想到,面试的问题跟笔试一样,还是要答题!最终朋友在100个人面试中,以面试第一应聘成功,直接签订合同,工资起步8000RMB,这在电工行业初进公司也算高的!以后表现好每年再加1000元。

那我们来看看到底面试出的什么题,题目如下。

1 为什么要使用星三角降压启动?星三角降压启动原理?

2 画出星三角降压启动的主电路控制电路并讲清它的运行步骤。

那我们这位朋友是怎么回答的,有什么特别的,为何受应聘官这么器重?来看一下他的答案。

答:因为电机直接启动时电流过大,所以使用星三角降压启动,星形启动时转速是三角运行的三分之一,以降低启动时对电网以及电机的冲击拉低损坏,对于15KW以上的电机拖动重负载而使用的一种最为常用的启动控制线路。

星三角降压启动原理为,电机启动时,将定子绕组接成星形,以降低各相绕组的电压,三相W2\U2\V2进行短接,其实把它看做为一点,(也就是我们所说的中性点)启动时每个绕组上的相电压为220V。(也就是U1/V1/W1各和这个中性点之间电压各为220)随着电机转速的升高通过延时继电器延时一段时间后,约几十秒钟达到一定的转速后,在电气开关作用下把六个接线端子转换成三角形连接并再次接到380V电源,每相绕组电压为380V,转矩和转速大大提高,电动机进入额定三角形条件下的运行过程。

如图所示主电路为:

电工面试经典案例,星三角降压启动电路,你能这样答出来吗?

电工面试经典案例,星三角降压启动电路,你能这样答出来吗?

可以看出,主电路星型接法就是U2/V2/W2短接,而三角形接法U1和W2、V1和U2、W1和V2首尾相接。

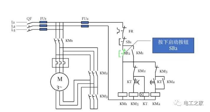
再看控制电路:

电工面试经典案例,星三角降压启动电路,你能这样答出来吗?

第一步按下启动按钮SB2,

电工面试经典案例,星三角降压启动电路,你能这样答出来吗?

电工面试经典案例,星三角降压启动电路,你能这样答出来吗?

交流接触器KM1、星型交流接触器KM3和时间继电器(或者延时继电器)KT线圈得电。得电后主电路KM1接通,KM3运行互锁切断三角形接法KM2不能运行,只能启动运行星型接法KM3,延时继电器KT运行开始计时。

电工面试经典案例,星三角降压启动电路,你能这样答出来吗?

运行一段时间后,KT计时到点后切断KM3星型,使KM3断电,KM3断电后接通互锁KM2线圈得电三角运行。

电工面试经典案例,星三角降压启动电路,你能这样答出来吗?

KM2三角得电后,切断互锁的KT和星型的KM3线圈电源,保持主电路KM1和KM2三角形线圈吸合电路长期运行。

要想关闭电路,只需按下SB1按钮,切断所有线圈电源,电机停止

我的同行朋友这样答完后,应聘官看后高度赞扬:“嗯不错!我不懂电路的也会星三角降压启动了,哈哈哈,明天就来上班!”

关注公众号,加入500人微信群,下载100G免费资料!
发表评论

最新评论

热门文章
关闭

站长推荐上一条 /1 下一条

QQ|手机版|免责声明|本站介绍|工控课堂 ( 沪ICP备20008691号-1 )

GMT+8, 2025-12-22 20:58 , Processed in 0.061129 second(s), 23 queries .

Powered by Discuz! X3.5

© 2001-2025 Discuz! Team.

返回顶部