找回密码
 立即注册

QQ登录

只需一步,快速开始

工控课堂 首页 工控文库 电工电气 查看内容

三种电机正反转控制电路对比讲解

2022-5-25 12:31| 发布者: gk-auto| 查看: 2493| 评论: 0|来自: 电气电工技术(头条)

摘要: 提起正反转控制电路,相信大部分的电工师傅都很熟悉,因为正反转控制电路是电工入门的基础电路,几乎每个电工师傅都学习过,一般而言,正反转控制电路有3种:按钮互锁正反转控制电路,接触器互锁正反转控制电路,双重 ...

       提起正反转控制电路,相信大部分的电工师傅都很熟悉,因为正反转控制电路是电工入门的基础电路,几乎每个电工师傅都学习过,一般而言,正反转控制电路有3种:按钮互锁正反转控制电路,接触器互锁正反转控制电路,双重互锁正反转控制电路。

正反转控制电路有几种?到底有什么区别?老电工这样讲才完全明白

​​       这三种都是电工师傅经常使用的正反转电路,今天我们就重点对比一下:按钮互锁和接触器互锁正反转电路,重点看一下有什么区别和联系?

        我们来看2个电路图:按钮互锁正反转和接触器互锁正反转电路!​

正反转控制电路有几种?到底有什么区别?老电工这样讲才完全明白

​     下面来对比分析一下:

一,两者的相似点:

      可以看到按钮互锁和接触器互锁的电路控制基本上是类似的,原理也大致相同。

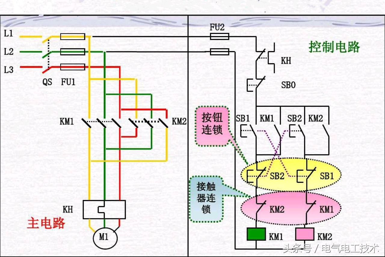
       我们以接触器互锁正反转电路为例来看一下:​

       正转动作原理分析:当按下启动按钮SB1的时候,正转交流接触器KM1线圈吸合,相应的KM1的常开点闭合,常闭点断开,常开点NO和启动按钮SB1并联形成自锁,常闭点NC断开,切断KM2线圈的回路,在确保KM1吸合的同时,KM2是一定不会动作的!

       反转动作原理分析类似于正转动作原理!牢记一句话:常开点NO用于交流接触器本身自锁,常闭点NC用于接触器之间的互锁!

正反转控制电路有几种?到底有什么区别?老电工这样讲才完全明白

​二,两者的不同点。

      1,按钮互锁正反转电路。

正反转控制电路有几种?到底有什么区别?老电工这样讲才完全明白

​        可以看到:按钮互锁正反转电路中,互锁主要是通过按钮的常闭点来完成的,正转的SB1按钮常闭点串联在了KM2的线圈回路里,反转的SB2按钮的常闭点串联在了KM1的线圈回路里,实现互锁的功能,这个就是按钮互锁的重点!

       2,接触器互锁正反转电路。

正反转控制电路有几种?到底有什么区别?老电工这样讲才完全明白

​      可以看到:接触器互锁正反转电路中,互锁主要是通过接触器KM1和KM2的常闭点来完成的,正转的交流接触器KM1的常闭点串联在了KM2的线圈回路里,反转的交流接触器KM2的常闭点串联在了KM1的线圈回路里,实现互锁的功能,这个就是接触器互锁的重点!

正反转控制电路有几种?到底有什么区别?老电工这样讲才完全明白

        补充:双重互锁正反转控制电路,是将按钮互锁和接触器互锁综合起来,既实现了按钮互锁的功能,又包括了接触器互锁的功能,称之为双重互锁,动作原理分析都是一样的,如电路图:

正反转控制电路有几种?到底有什么区别?老电工这样讲才完全明白

​        以上就是正反转互锁电路的3种形式,如果你有更好的补充或者建议,可以在下方评论区留言,电气电工知识,一起交流学习!

关注公众号,加入500人微信群,下载100G免费资料!

最新评论

热门文章
关闭

站长推荐上一条 /1 下一条

QQ|手机版|免责声明|本站介绍|工控课堂 ( 沪ICP备20008691号-1 )

GMT+8, 2025-12-22 22:34 , Processed in 0.063501 second(s), 23 queries .

Powered by Discuz! X3.5

© 2001-2025 Discuz! Team.

返回顶部