找回密码
 立即注册

QQ登录

只需一步,快速开始

工控课堂 首页 工控文库变频器学习

变频器学习

按钮控制变频器启停的接线方法
变频器与起停开关的接线方法,变频器的控制动作有启动、停止、正转、反转及调速等,在使用按钮开关控制变频器时,变频器与起停开关的接线图是什么样的,一起来了解下。变频器起停开关的接线方式变频器的控制动作包括 ...
2022-4-26 20:50
变频器节电的原理及能效指标
1、变频器要节电是有一定条件的。在不影响使用的条件下,适当改变工况参数后,把不合理运行参数所消耗电能节省下来,就可做到从一般运行转变成经济运行。2、要节能一定要降低频率,下降值越大,节电越多。不降低频率 ...
2022-4-26 20:49
变频器减速过程过压跳闸保护的原因分析
变频器在减速过程中发生过电压跳闸的原因,可从电动机的状态、泵升电压等方面查找过电压跳闸的原因,当直流电压超过设定值时,保护电容器免于击穿,变频器将因过电压而跳闸。变频器减速引起过电压跳闸的原因1、电动 ...
2022-4-26 20:20
什么是变频器低压跳闸,原因和应对策略
变频器低电压跳闸的问题,变频器低电压跳闸怎么办,这个低电压是指中间直流回路的低电压,二种情况:电源输入侧低电压与负载侧的低电压,变频器维修低电压跳闸的解决方法。变频器低电压跳闸的问题参考图:变频器低电 ...
2022-4-26 19:50
变频器干扰原因及应对策略
在各种工业控制系统中,随着变频器等电力电子装置的广泛使用,系统的电磁干扰(EMI)日益严重,相应的抗干扰设计技术(即电磁兼容EMC)已经变得越来越重要。变频器系统的干扰有时能直接造成系统的硬件损坏,有时虽不能损 ...
2022-4-26 19:49
变频器十大故障问题与与排除方法
变频器的十大常见故障,包括变频器的电后键盘无显示、变频器的电位器不能调速、变频器的继电器不吸合等问题,这里说一说这些故障问题的自查排除方法,供大家参考。变频器的十大故障问题一、 电后键盘无显示1. 检查输 ...
2022-4-26 19:48
变频器日常维护与变频器定期保养事项
变频器日常维护与变频器定期保养事项,变频器的日常维护与检修工作显得尤为重要,变频器上电之前应先检查周围环境的温度及湿度,温度过高会导致变频器过热报警,变频器的定期保养,变频器备件的更换。变频器日常维护 ...
2022-4-26 19:46
变频器跳闸保护的原因分析
变频器跳闸保护一般均有故障显示,查看故障代码,可判断出属于那种故障造成的。1、变频器选型容量可能偏小;一般变频器选型时,应比电机的额定功率大20%左右,这样当电机达到满负荷时,变频器仍能够驱动。2、由于 ...
2022-4-26 19:45
变频器外壳上的英文字母代表什么意思
变频器上英文字母的含义1、英文含义在不同模式下,这些键的作用不同,以下列出一些相同的功能:第一排:电位器。第二排:FWD:正转键,控制变频器正转 ,此时对应指示灯会亮。第三排:REV:反转键,控制变频器反转, ...
2022-4-26 19:43
实例讲解变频器系统设计和控制接线方法
变频器主要用于电机的调速,通过改变电机工作电源的频率来改变电机转速。台达VFD-M变频器,以一个4级电机为例,在工频电压为50HZ的情况下,电机同步转速为50×60/2=1500转,去掉转差率,电机转子转速约为1450。1450 ...
2022-4-26 19:42
变频器入门课堂-变频器故障分析与维修
变频器是一个高精度、高科技的电子元气件,对它的故障处理,我们也应由简到繁的原则去加以分析维修,对于我们一般的现场维护保养者,并不需要深入的了解其内部的构造,但应掌握其一般故障发生的规律加以分析处理。 ...
2022-4-24 17:27
变频器入门课堂-一台15KW水泵做PID控制
变频器入门课堂-一台15KW水泵做PID控制
一台15KW水泵做PID控制,控制水泵出口压力稳定。1、设计思路 选用一台15KW具有PID功能的变频器,可以不考虑输入电抗器,电机速度由设定频率与泵出口压力作比较进行PID调节,设计应考虑能手/自动转换。2、变频器控制 ...
2022-4-24 17:24
变频器入门课堂-一台3KW电机变频器驱动,DCS正反转带速度控制 ...
变频器入门课堂-一台3KW电机变频器驱动,DCS正反转带速度控制 ...
一台3KW电机DCS的正反转带速度控制。1、设计思路 选用一台具有正反转功能的变频器,功率为3KW,因为功率较小电磁干拢不大,可以不考虑输入电抗器,DCS控制需有变频器的状态信号(准备、运行、故障),以及实际电流 ...
2022-4-24 17:22
变频器入门课堂-变频器输入输出参数设定
变频器入门课堂-变频器输入输出参数设定
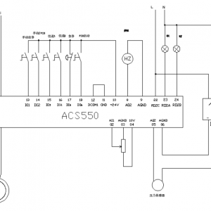
1、指领输入参数 对应的是开关量及模拟量输入端接口的设定,一般有启动方式(本地/远程选择)、启动/停止、正转/反转、多段速度控制、模拟电流及模拟电压输入选择等。ABB-ACS550变频器此类参数设定在10号、11号、1 ...
2022-4-24 17:15
变频器入门课堂-变频器基本参数设定
变频器入门课堂-变频器基本参数设定
参数设定是用好变频器的关健,在一个变频器中有几百个参数,但往往我们实际应用中只会用到最多几十个的参数,下面我就按通用的参数加以讲解,而这几个最基本的参数对各品牌的变频品同样适用,只是参数号不一样而已。 ...
2022-4-24 17:06
热门文章
关闭

站长推荐上一条 /1 下一条

QQ|手机版|免责声明|本站介绍|工控课堂 ( 沪ICP备20008691号-1 )

GMT+8, 2025-12-23 12:35 , Processed in 0.046092 second(s), 14 queries .

Powered by Discuz! X3.5

© 2001-2025 Discuz! Team.

返回顶部