找回密码
 立即注册

QQ登录

只需一步,快速开始

工控课堂 首页 工控文库 电工电气 查看内容

万用表查找电气控制电路故障方法

2023-3-1 22:24| 发布者: 198366809| 查看: 740| 评论: 0

摘要: 查找线路故障一般有电压法和电阻法。电压法就是利用测电压来检测故障点,电阻法就是利用测电阻来查找故障。它们各有优势,如果对线路不熟悉,我们推荐用电阻法来判断故障,相对较安全。主线路电线比较少,判断故障比 ...

查找线路故障一般有电压法和电阻法。电压法就是利用测电压来检测故障点,电阻法就是利用测电阻来查找故障。它们各有优势,如果对线路不熟悉,我们推荐用电阻法来判断故障,相对较安全。

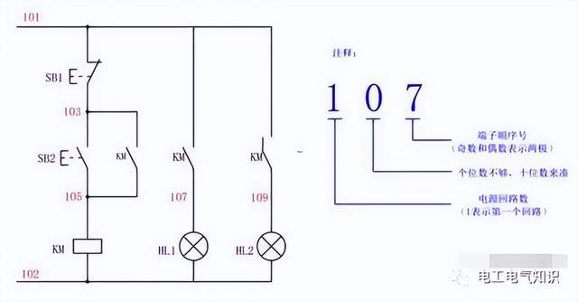
主线路电线比较少,判断故障比较容易,这里就拿控制线路来举例子。

在测量控制线路之前,先断开控制线路电源/熔断器,让控制线路和主线路分开。这样做的目的是在测控制线路时,不会受到主线路的干扰。

然后一个表笔放在控制回路的奇数起始编号(比如101),另外一个表笔放在控制回路的偶数起始编号(比如102),它们之间阻值应该无限大。然后按一下按钮开关SB2,这时应该是有一定的阻值(阻值等于线圈电阻)。如果阻值还是无限大,说明两个表笔之间不通、某个地方断了,那就接着往下查找。

空不出手来按按钮,我们可以用短电线或者其他金属物体把按钮短接起来,检测完以后再拆掉即可.

然后我们再按按钮,并测起始端子的下一个端子(103)和偶数起始编号(102)之间的电阻。如果有一定的阻值,说明101和103之间有断路。如果阻值还是无限大,说明103和102之间还是某个地方有断路,那就接着往下查找。

...以此类推,直到找到故障点...

因为编号规则决定尾数为奇数和偶数是两个不同极性线路,所以我们测以奇数结尾的端子和偶数结尾的端子,它们之间正常是有一定的电阻的。(当然前提是同一个电源回路)

关注公众号,加入500人微信群,下载100G免费资料!

最新评论

热门文章
关闭

站长推荐上一条 /1 下一条

QQ|手机版|免责声明|本站介绍|工控课堂 ( 沪ICP备20008691号-1 )

GMT+8, 2025-12-23 06:24 , Processed in 0.358578 second(s), 23 queries .

Powered by Discuz! X3.5

© 2001-2025 Discuz! Team.

返回顶部