找回密码
 立即注册

QQ登录

只需一步,快速开始

工控课堂 首页 工控文库 电工电气 查看内容

中小功率通用变频器的启动保护与充电电阻选择

2024-7-6 23:05| 发布者: gkket| 查看: 719| 评论: 0

摘要: 在工业自动化领域,中小功率通用变频器作为电力控制的核心设备,其稳定性和可靠性至关重要。这类变频器通常采用电压型设计,并遵循交—直—交的工作模式,通过整流、滤波和逆变过程实现电机的调速控制。然而,在变频 ...
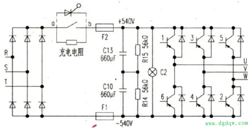
  在工业自动化领域,中小功率通用变频器作为电力控制的核心设备,其稳定性和可靠性至关重要。这类变频器通常采用电压设计,并遵循交—直—交的工作模式,通过整流、滤波和逆变过程实现电机的调速控制。然而,在变频器启动阶段,特别是直流侧滤波电容的充电过程,若处理不当,极易导致整流桥等关键元件损坏。本文将深入探讨变频器的启动保护机制,特别是充电电阻的选择与重要性。

   变频器启动时的挑战
   当变频器初次上电时,直流侧的滤波电容由于容量巨大,瞬间充电时会形成类似短路的状况,导致电流急剧上升。如果不采取任何限流措施,如加入充电电阻,380V的交流电源将直接对电容进行充电,电流可能瞬间达到危险水平,从而损坏整流桥等元件。

中小功率通用变频器的启动保护与充电电阻选择

   充电电阻的作用
   充电电阻在变频器启动过程中起到了至关重要的限流保护作用。它串联在整流桥与电解电容之间,有效限制了充电初期的电流峰值,防止了整流桥因过流而损坏。一旦电容充电至一定电压(如DC200V),辅助电源启动并供电给控制板,控制板随后发出信号使继电器或晶闸管闭合,将充电电阻短路,完成启动过程。

   充电电阻的选择原则
   选择合适的充电电阻是确保变频器安全启动的关键。充电电阻的阻值选择需考虑多个因素,包括变频器功率、电容容量以及启动时间等。
   1.阻值范围:一般而言,充电电阻的最大阻值不宜超过300Ω,最小值则建议大于等于10Ω。对于大功率变频器,应选择阻值较小的充电电阻以缩短充电时间;而小功率变频器则可适当选择阻值较大的充电电阻。
   2.功率与热耗:充电电阻在工作过程中会产生一定的热量,因此需考虑其功率承受能力,避免过热损坏。此外,在频繁启动或电源不稳定的情况下,还需考虑电阻的散热问题。

   储能电容的容量选择
   储能电容的容量选择同样重要。它决定了直流回路的电压稳定性和滤波效果。一般而言,电容的容量应满足一定的经验值,如≥60μF/A。对于15kW的变频器(额定电流约30A),所需电容容量至少为1800μF,实际选择时通常会采用更大容量的电容以提高系统的稳定性和可靠性。

   逆变模块损坏的原因与预防
   逆变模块的损坏往往与电容的容量减小、失容和失效密切相关。电容的容量不足会导致直流回路电压波动增大,影响逆变模块的正常工作。特别是在负载加重或启动瞬间,脉动电流的急剧变化可能对逆变模块造成致命打击。

   因此,在维修变频器时,除了更换损坏的逆变模块外,还应仔细检查并更换老化的电容,彻底清除故障隐患。此外,定期检查和维护变频器的散热系统、控制系统等关键部件也是确保其长期稳定运行的重要措施。

   综上所述,中小功率通用变频器的启动保护与充电电阻的选择至关重要。通过合理的电阻选择和电容配置,结合有效的故障预防和维护措施,可以显著提高变频器的可靠性和使用寿命。
关注公众号,加入500人微信群,下载100G免费资料!

最新评论

热门文章
关闭

站长推荐上一条 /1 下一条

QQ|手机版|免责声明|本站介绍|工控课堂 ( 沪ICP备20008691号-1 )

GMT+8, 2025-12-22 17:05 , Processed in 0.068079 second(s), 23 queries .

Powered by Discuz! X3.5

© 2001-2025 Discuz! Team.

返回顶部