找回密码
 立即注册

QQ登录

只需一步,快速开始

工控课堂 首页 工控文库 电工电气 查看内容

交流接触器自锁与互锁回路接线方式详解

2024-7-6 23:06| 发布者: gkket| 查看: 2018| 评论: 0

摘要: 在电气控制系统中,交流接触器作为核心部件,其接线方式的正确性和合理性直接关系到整个系统的稳定运行。本文将重点介绍交流接触器的两种常见接线方式——自锁回路与互锁回路,并探讨互锁回路在实际应用中的优化方案 ...
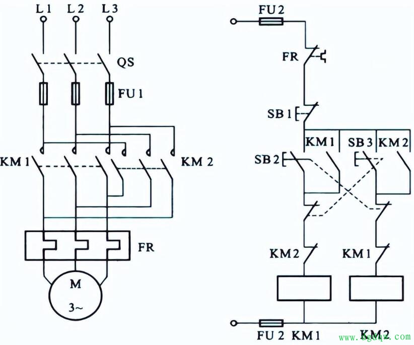
 电气控制系统中,交流接触器作为核心部件,其接线方式的正确性和合理性直接关系到整个系统的稳定运行。本文将重点介绍交流接触器的两种常见接线方式——自锁回路与互锁回路,并探讨互锁回路在实际应用中的优化方案。

   一、自锁回路的接线
   自锁回路,顾名思义,是指接触器在接通电源后,能够自动保持其吸合状态,即使控制按钮松开,接触器也不会立即断开。这种接线方式广泛应用于需要持续运行的电路中,如电动机的连续运行控制。

交流接触器自锁与互锁回路接线方式详解

   自锁回路的实现原理:
   当按下启动按钮时,电流通过启动按钮流入接触器线圈,使接触器吸合。
   接触器吸合后,其常开辅助触点(也称为自锁触点)闭合,形成一条新的电流路径。
   这条新路径绕过启动按钮,直接连接电源和接触器线圈,从而保持接触器持续吸合。
   当需要停止时,只需按下停止按钮,切断电流,接触器便释放,电路断开。

   二、互锁回路的接线
   互锁回路,又称为联锁控制,旨在确保在同一时间内,两个或多个接触器回路中只有一个接触器能够工作,以避免因两个或多个接触器同时动作而导致的短路或设备损坏。

交流接触器自锁与互锁回路接线方式详解

   互锁回路的典型应用:电动机的正反转控制。
   传统互锁回路的局限性:
   在传统的电动机正反转控制电路中,为了确保正转和反转接触器(如KM1和KM2)不会同时闭合,通常采用接触器常闭触点进行互锁。然而,这种设计存在操作上的不便,即在切换方向前必须先按下停止按钮,使当前工作的接触器释放,才能启动另一方向的接触器。
   优化方案:双重互锁控制
   为了克服传统互锁回路的不足,引入了双重互锁控制。这种控制方式不仅利用接触器的常闭触点进行电气互锁,还通过复式按钮实现机械互锁。
   双重互锁控制电路的工作原理:
   每个方向的控制按钮都包含一对常闭触点和一对常开触点。
   当按下正转按钮时,其常开触点闭合,使正转接触器KM1吸合,同时其常闭触点断开,防止反转接触器KM2吸合。
   反转控制按钮同理,通过其常开和常闭触点控制反转接触器KM2,并与正转控制形成互锁。
   此外,接触器KM1和KM2的常闭触点也相互串联在对方的控制电路中,形成电气互锁。
   这种双重互锁设计确保了无论是电气上还是机械上,正转和反转接触器都不会同时闭合,大大提高了电路的安全性和可靠性。

   综上所述,交流接触器的自锁回路和互锁回路在电气控制系统中扮演着重要角色。通过合理的接线方式和优化设计方案,可以确保电路的稳定运行和设备的安全使用。
关注公众号,加入500人微信群,下载100G免费资料!

最新评论

热门文章
关闭

站长推荐上一条 /1 下一条

QQ|手机版|免责声明|本站介绍|工控课堂 ( 沪ICP备20008691号-1 )

GMT+8, 2025-12-22 22:36 , Processed in 0.087467 second(s), 23 queries .

Powered by Discuz! X3.5

© 2001-2025 Discuz! Team.

返回顶部